Раздвижные двери с верхним креплением
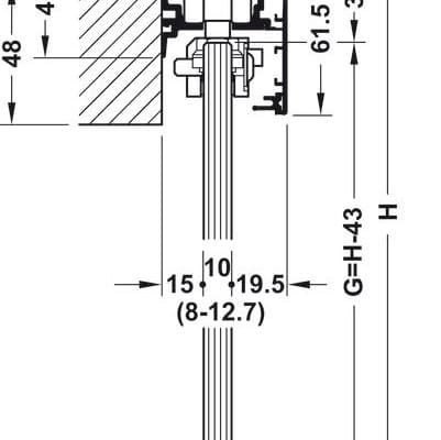
Современное исполнение в черной фурнитуре, с использованием качественных Европейских комплектующих. Закаленное стекло 6-10 мм обеспечивает безопасность при использовании. Так же есть варианты с фурнитурой в цвете «анодированный алюминий», и стекла — «графит» или «бронза». Изготавливается по индивидуальным размерам заказчика.






